Produksjon
Laser diode dfb sommerfugl 1410 nm
  • Laser diode dfb sommerfugl 1410 nmLaser diode dfb sommerfugl 1410 nm
  • Laser diode dfb sommerfugl 1410 nmLaser diode dfb sommerfugl 1410 nm
  • Laser diode dfb sommerfugl 1410 nmLaser diode dfb sommerfugl 1410 nm
  • Laser diode dfb sommerfugl 1410 nmLaser diode dfb sommerfugl 1410 nm

Laser diode dfb sommerfugl 1410 nm

DFB Butterfly 1410 nm laserdiode med en høyere utgangseffekt, lavt støynivå og en bredde på linjen er ideell for denne optiske halvlederen for mange applikasjoner, der absolutt nøyaktighet, pålitelighet gjennom hele tjenestelivet i komplekse felt og høyoppløsning, for eksempel for avstand, distribuert overvåkningstemperatur.

Laser diode dfb sommerfugl 1410 nm


1. Innledning:


DFB Butterfly 1410 nm laserdiode med en høyere utgangseffekt, lavt støynivå og en bredde på linjen er ideell for denne optiske halvlederen for mange applikasjoner, der absolutt nøyaktighet, pålitelighet gjennom hele tjenestelivet i komplekse felt og høyoppløsning, for eksempel for avstand, distribuert overvåkningstemperatur.


2. Funksjoner:


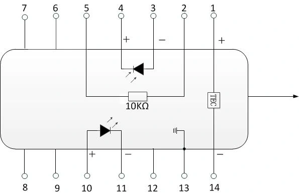
Bygget -in tec;
PM/SMF i kombinasjon med FC/APC;
Bygget -i optisk isolator;
1410 NM DFB -brikke.

3. unntak:



Lidar;
Gass klingende;
Rekkevidde;
Absorpsjonsspektroskopi;
Laserkilder;
CATV -systemer.

4. Elektrooptiske egenskaper (t = 25 ℃):


parameter

symbol

betingelse

Jeg er.

Type.

Maks.

Arbeidsenhet

Den sentrale bølgelengden

Plattform s

Tl = 15 ~ 35 ℃ CW

1408

1410

1412

Nm

Optisk utgangseffekt

ved

-

10

-

-

MW

Terskelstrøm

Mye

-

-

10

35

Om.

Effektiviteten av skråningen

Nå kan jeg ikke gå.

Utgangskapasitet CW 5MW

0.05

0.11

0.2

MVT/MA

arbeider strøm

Iop.

av = 10MW (CW)

-

100

200

Om.

Bredden på spektrallinjen

Lu

Fwhm

-

3

-

MGC

Direkte laserspenning

Vf

Utgangskapasitet CW 10 MW

-

1.2

3.0

V.

Mørk strømovervåking

identifikator

-

-

-

0.1

Mkr

PASSINGSTRIP (@-3db)

Vvo

-

-

2.5

-

GHC

Hastighetsregimundertrykkelseskoeffisient

SMSR

CW

35

40

-

Db

Optisk isolasjon

-

-10

30

-

-

Db

Ingen relativ intensitet

Rin Lin

CW, utgangseffekt 5 MW

-

-145

-

Db

Den fant bare temperaturen

Ts

-

15

-

35

inngangsmotstand

Sal

-

22

25

28

Om.

Termistor Flow

Itk

-

10

-

100

Mkr

Motstanden til termistoren

Rt

Tl = 25 ℃

9.5

10

10.5

PC -er

Teknisk strøm

Støvler

TL = 25 ℃, TC = 70 ℃

-

-

1.5

EN)

Tekstspenning

VTEK

TL = 25 ℃, TC = 70 ℃

-

-

3.5

V.

Teknisk kapasitet

Δt

TC = 70 ℃

-

-

50

Temperaturen på termistoren

-

-

-

-

100

Bølgelengde (EOL)

Blant dem

Sjekk på toppen

25 års liv

-

-

± 0,1

Nm

bølgelengdekoeffisient

Dl/dt

Temperatur

ved 15 ° C til 35 ° C.

-

0.09

-

Nm/℃

bølgelengdekoeffisient

Dl

-

-

0.01

-

nm / mm

 

5. Bestemmelse av eksport (enhet: MM):

 

TIP1


TIP2


 

6. Levering, levering og vedlikehold


Alle produktene ble sjekket før de sendte;

Alle produktene har en garantiperiode på 1-3. (Etter kvalitetsgaranti -perioden begynner innsamlingen av passende vedlikeholdsgebyr.)

Vi verdsetter virksomheten din og tilbyr en instant7-dagers returpolitikk. (etter 7 dager etter mottatt varer);

Hvis varene du kjøper i butikken vår ikke har perfekt kvalitet, det vil si at de ikke fungerer elektronisk i henhold til spesifikasjonene til produsenten, kan du bare returnere dem til oss for å erstatte eller returnere pengene;

Hvis varene er mangelfulle, må du varsle oss innen 3 dager fra leveringsøyeblikket;

Eventuelle gjenstander må returneres i den opprinnelige tilstanden for å ha rett til å returnere eller erstatte;

Kjøperen er ansvarlig for alle påført leveringskostnader.


 

7. Ofte stilte spørsmål

 

Spørsmål: Hvilken bølgelengde vil du ha?

A: Vi har store bølgelengder fra1270do1650nm.

 

Spørsmål: Hva er kravene til utgangseffekt?

A: Vi har 110 MW og 20 MW -alternativer, vi kan også konfigurere i samsvar med dine krav.

 

Spørsmål: Hvilken type fiber vil du ha?

A: FiberlyPM.

 

 




Hot Tags: Laser diode dfb sommerfugl 1410 nm
Send forespørsel
Kontaktinfo
Hvis du har spørsmål om en setning eller et samarbeid, kan du sende en e -post eller bruke neste forespørselsskjema. Vår handelsrepresentant vil kontakte deg innen 24 timer.
X
We use cookies to offer you a better browsing experience, analyze site traffic and personalize content. By using this site, you agree to our use of cookies. Privacy Policy
Reject Accept