Produksjon
Halvleder optisk forsterker SOA 1060 nm 25 dB
  • Halvleder optisk forsterker SOA 1060 nm 25 dBHalvleder optisk forsterker SOA 1060 nm 25 dB
  • Halvleder optisk forsterker SOA 1060 nm 25 dBHalvleder optisk forsterker SOA 1060 nm 25 dB
  • Halvleder optisk forsterker SOA 1060 nm 25 dBHalvleder optisk forsterker SOA 1060 nm 25 dB
  • Halvleder optisk forsterker SOA 1060 nm 25 dBHalvleder optisk forsterker SOA 1060 nm 25 dB

Halvleder optisk forsterker SOA 1060 nm 25 dB

En serie produkter halvleder optisk forsterker SOA 1060 nm 25 dB brukes hovedsakelig for å forbedre det optiske signalet og kan øke den optiske effekten betydelig. Produkter er preget av en høy forsterkningskoeffisient, lavt energiforbruk og bevaring av polarisering, så vel som andre egenskaper. De er helt teknologiske ved bruk av innenlandske teknologier.

Introduksjon:


En serie produkter halvleder optisk forsterker SOA 1060 nm 25 dB brukes hovedsakelig for å forbedre det optiske signalet og kan øke den optiske effekten betydelig. Produktene er preget av en høy forsterkningsfaktor, lavt energiforbruk og bevaring av polarisering, så vel som andre egenskaper. De er helt teknologiske ved bruk av innenlandske teknologier.


Funksjoner:


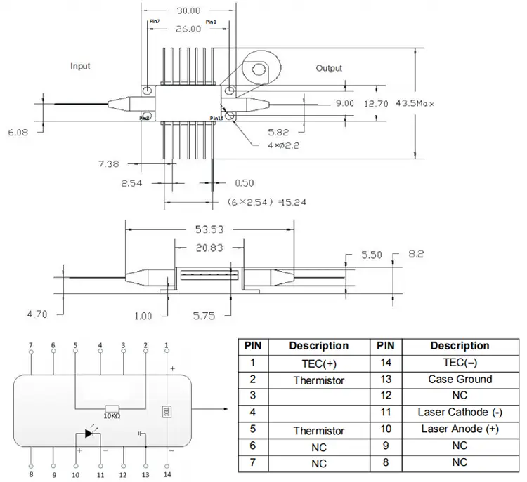
Hus sommerfugl 14pin;

Lav støykoeffisient og svak avhengighet av polarisering;

SMF-28E-fiber med FC/APC-kontakt.

Pålitelighet: Telcordia GR-468. ROHS


Applikasjoner:


Tapskompensasjon for fiber -optisk tilkobling og bytte;

Medisinsk oktober;

En kilde til svingfrekvens, en ombyggende laser;


Elektrooptiske egenskaper (t = 25 ℃):


Parameter

Symbol

Tilstand

Jeg er.

Type.

Maks.

Dimensjon

Arbeidsbølgelengde

lpeak

25 ℃, pin = 0dbm

-

1060

-

Nm

Sentral bølgelengde ASE

la

25 ℃, hvis = 400m.a.

-

1070

-

Nm

Gaten til forsterkning -3 dB

ΔL

PIN = -20dBm

-

50

-

Nm

Optisk metningskraft

PMAX

If = 400m.a.,

PIN = 5DBM@1060nm

-

15

-

DBM

Styrking av det lille signalet

Ssg

If = 400m.a.,

Pin = -25dbm@1060nm

-

25

-

db

Styrking

Administrerende direktør

25 ℃, hvis = 400m.a.

 

 

 

db

Arbeider strøm

HVIS

-

20

-

-

M.A.

Direkte spenning

Vf

-

-

400

600

V

Støykoeffisient

Nf

25 ℃, hvis = 400m.a., @1060nm

-

-

2.0

db

Teo teo

LTEC

-

-

-

1.8

A

Teo spenning

VTEC

-

-

10

3.4

V

Motstanden til termistoren

Rherm

T = 25 ℃

9.5

10

10.5

PC -er

Termistor strøm

lterm

-

-

-

5

M.A.

Full kraft

P

-

-

-

4

w

Driftstemperaturen i saken

TOPP

I = hvis

-10

-

70

Lagringstemperatur

Ts

-

-40

-

85


Tegning av emballasje og bestemmelse av konklusjoner (måleenhet: MM):




Typisk karakteristisk kurve:



Levering, forsendelse og vedlikehold


Alle varer sjekkes før du sender.


Alle varer har en garanti på 1 år (etter utløpet av garantiperioden belastes serviceavgiften).


Vi setter pris på samarbeidet ditt og tilbyr muligheten for øyeblikkelig refusjon innen 7 dager (7 dager etter å ha mottatt varene).


Hvis produktet som er kjøpt i butikken vår ikke oppfyller kravene i kvaliteten, det vil si at det ikke oppfyller kravene til produsenten, bare returner det til oss for å erstatte eller returnere midlene.


Hvis varene viste seg å være mangelfulle, vennligst informer oss om dette innen 3 dager fra leveringsdatoen.


For å returnere midler eller erstatning, må varene returneres i starttilstanden.


Kjøperen er ansvarlig for alle leveringskostnader.




Ofte stilte spørsmål


Spørsmål: Hva er bølgelengden du trenger?

A: Vi har en laserdiode 1550nm 1310nm 1270nm 1060nm SOA.


Spørsmål: Hva er behovet for utgangseffekt?

A: Box Optronics kan stilles inn i samsvar med dine krav.



Hot Tags: Halvleder optisk forsterker SOA 1060 nm 25 dB
Send forespørsel
Kontaktinfo
Hvis du har spørsmål om en setning eller et samarbeid, kan du sende en e -post eller bruke neste forespørselsskjema. Vår handelsrepresentant vil kontakte deg innen 24 timer.
X
We use cookies to offer you a better browsing experience, analyze site traffic and personalize content. By using this site, you agree to our use of cookies. Privacy Policy
Reject Accept